LCPH Lambda Controlled Parking Heater

An innovative system to control vehicle parking heaters efficiently using Lambda sensors.

Features

  • Control of Air-Fuel-Ratio for a parking heater to avoid soot at high altitudes
  • Online Air-Fuel-Ratio measurement using Bosch LSU 4.9
  • Ambient pressure, temperature and humidity measurement
  • Optional exhaust temperature measurement with flame detection mechanism
  • 2004 LCD Display with electronically adjustable contrast and brightness
  • User interaction via Jog-Dial
  • Error detection and permanent storage
  • ByPass switch to retain standard system setup
  • Watchdog

Main Components

  • CY8CKIT-059 PSoC 5LP development board
  • L-MW V4.0 12V Lambda Sensor Evaluation Board
  • Bosch LSU 4.9
  • LCD 2004A
  • 2x MCP41 DigiPot
  • XY-MOS Fuel Pump Driver
  • BME280 Ambient Condition Sensor
  • Max6675 Temperature Sensing Module
  • Fuel Pump Input Sensing
  • Custom PCB

Programming languages

  • C

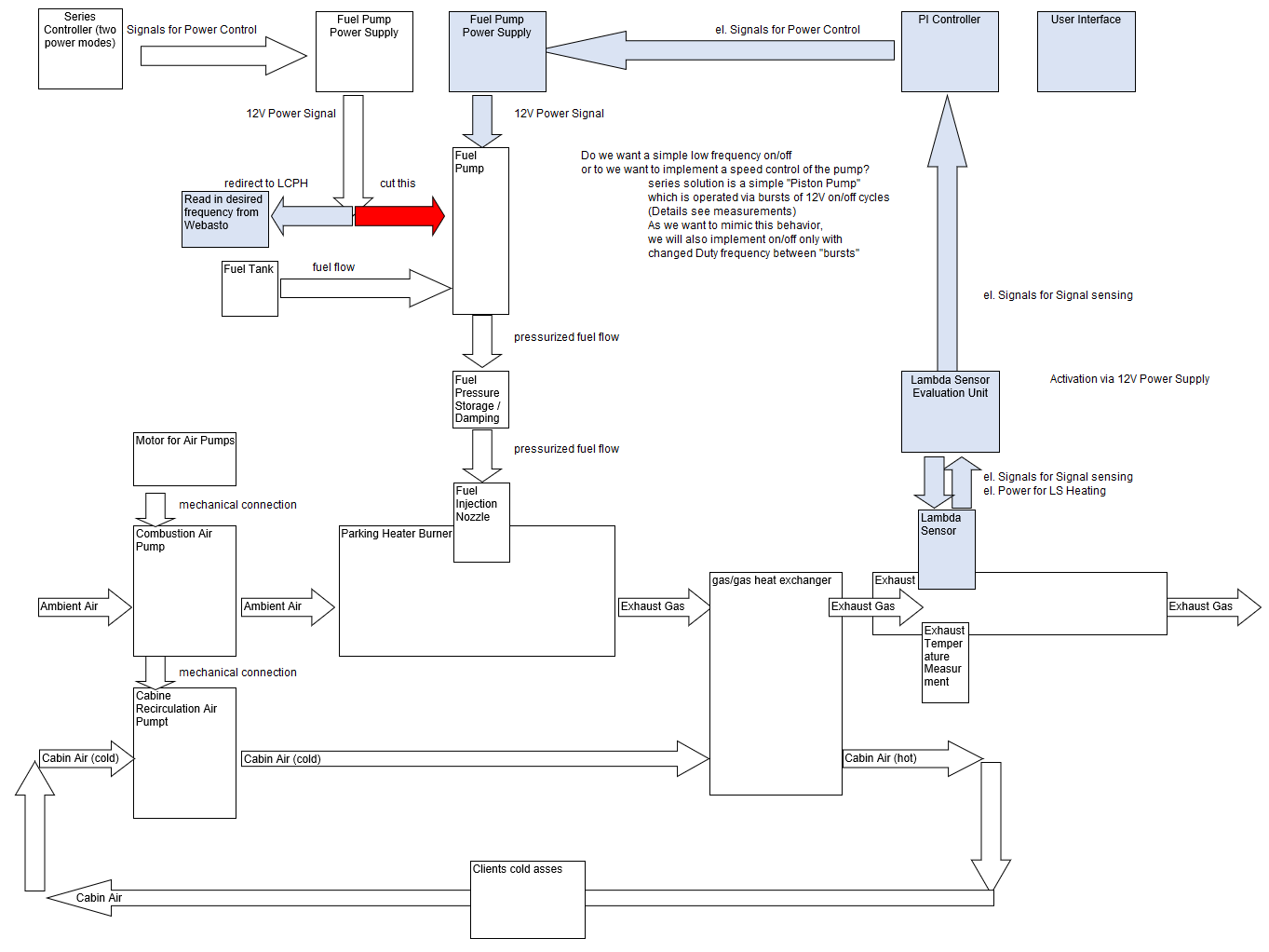
System of Interest: The series connection of the parking heater control unit is redirected to the LCPH device, which will adapt the pumps operating frequency to avoid rich fuel mixture.

The Blockdiagram is an essential tool while building the prototype on a bread board or via direct pinning in an early project phase.

The Circuit Diagram and Layout are designed in KiCad 6.0.

The mechanical design comprises a two box approach with a seperation of the HMI and the actual power electronics. It was sketched out using a simple approach in Powerpoint.

The result is setup where the power electronics can be installe close to the series parking heater and the HMI-Box can e placed in any convenient location. The blue box contains the programmer to re-flash the device.

The current design supports two operating modes based on a manual on/off switch operated by the user.

For future updates there is also a concept which will activate the LCPH automatically from deep sleep in case of an activation of the series parking heater.

In debug mode the user is able to retrieve extensive info about the system status.

After physically connecting the LSU it is automatically heated to its operating temperature.

The lambda sensor's signal is tested against the reduced O2-content within exhaled air captured in a glas.

The LCDs contrast and brightness can be changed via the integrated DigiPots.

The integrated error storage will capture faults like not connected thermo couples, SPI communication issues or watch dog resets.